欢迎访问虞建风机网站!
        诚招各地代理商        网站地图  |  加入收藏
 您现在的位置:网站首页 > 产品展示 > DBF系列变风量机箱
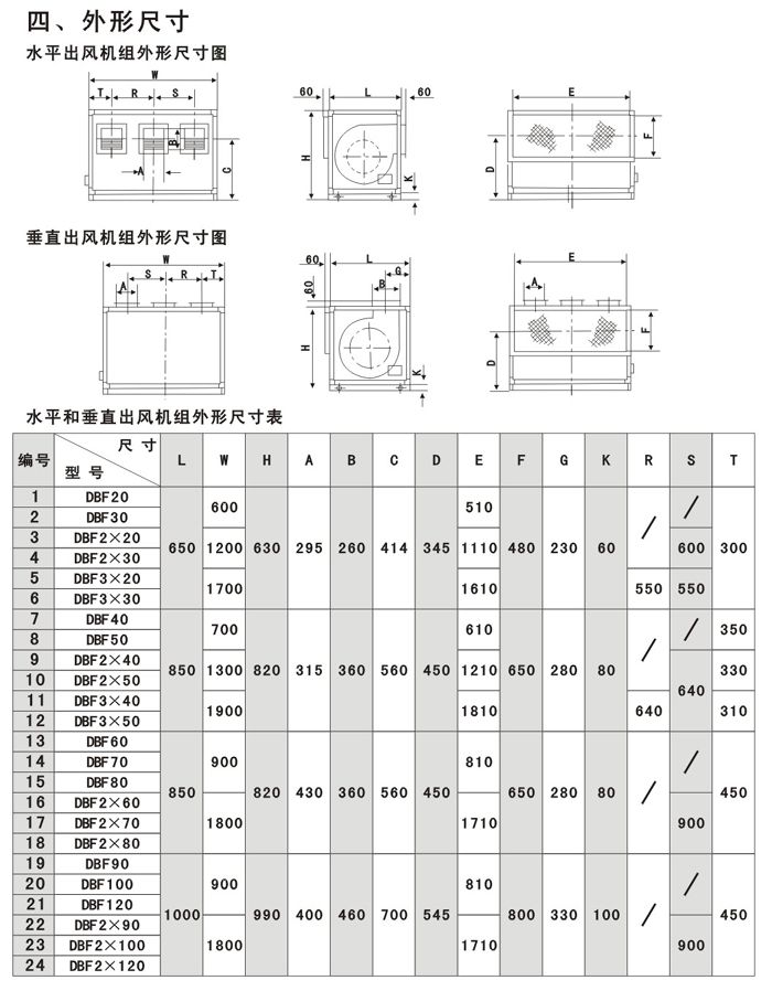
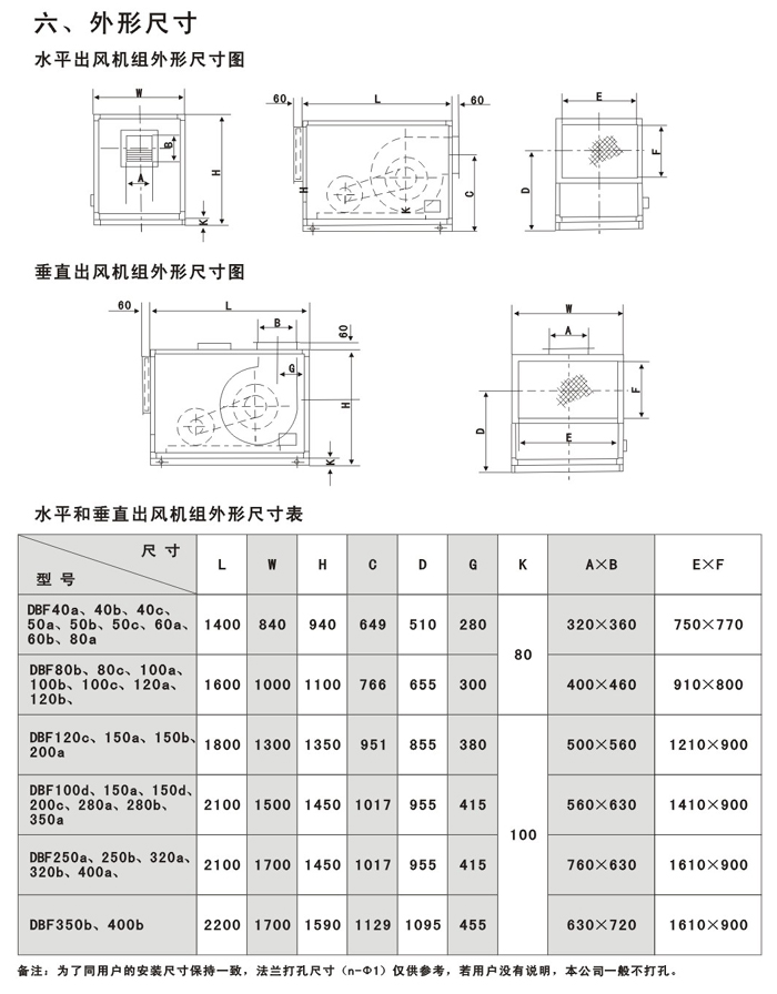
DBF系列变风量机箱

一。概述

  DBF系列低噪声变风量风机箱,采用先进的低噪声双吸式离心风机,并配置减振器,箱体内壁(保温)吸声面板,进风口设置过滤网。具有噪声低,振动小,体积小,重量轻,风管连接灵活,现场拆装方便的特点,具有消音和空气过滤作用。配备电控箱后,可实现调速变风量,并可远程控制。DBF系列低噪声变风量风机箱可用作通风系统串联加压;或直接作为排气风机;以及作混风箱兼动力源之用。要求通过风机箱的气休无腐蚀性和自然性,不含粘性物质。DF系列低噪声变风量风机箱已在空调通风工程广泛使用。

  DSF系列(HTFC系列)防排烟风机箱,HTFC系列消防专用离心式风机箱的派生产品,它采取的风机,设备,部件,材料均按高温排烟风机箱配置,DSF(HTFC系列)防排烟风机箱除了能用作DBF系列低噪声变风量风机箱外,还能排放280摄氏度以上的高温烟气。